一、围墙工程量计算的核心规则是什么?
围墙工程量的计算主要遵循"设计图示尺寸以立方米计算"的基本原则。具体来说,砖砌围墙的工程量计算规则为:以设计图示长度乘以高度以立方米计算。这一规则是围墙工程量计算的基础,所有具体计算都应在此框架下进行。

围墙高度的确定有明确规范:从设计室外地坪算至砖顶面。如有砖压顶,算至压顶顶面;如无压顶,算至围墙顶面;如为混凝土压顶,则算至压顶底面。这一细致的高度划分标准确保了不同构造形式围墙工程量计算的准确性。
在实际工程中,经常会遇到围墙结构的各种变化,如压顶材料的不同、基础形式的差异等,都需要按照这一核心规则进行相应调整。掌握这一基础规则,是正确计算围墙工程量的首要前提。
二、围墙各组成部分的具体计算方法有哪些?
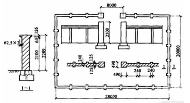
1.主体墙身计算
围墙主体墙身的体积计算公式为:墙体体积=墙体长度×墙体高度×墙厚。其中,墙体长度按设计图示尺寸确定,需注意区分直线段与弧形段的计算差异。
对于带有墙垛的围墙,墙垛体积应单独计算并并入总体积。墙垛体积的计算方法为:墙垛截面积乘以墙垛高度。如附墙垛体积计算示例显示,附墙垛体积=0.125×2×2.1×0.24×299=37.67立方米。
2.压顶工程量计算
压顶作为围墙的重要组成部分,其计算方法因材料而异。砖压顶体积按照实际尺寸计算,而混凝土压顶则需注意计算至压顶底面。具体计算时,压顶体积=压顶长度×压顶断面面积。
在实际工程中,压顶体积计算示例如下:(0.365×0.063+0.49×0.063)×1800=96.96立方米。这一数据清晰地展示了压顶在围墙总工程量中的比重。
3.基础部分计算
围墙基础工程量的计算需要根据基础类型采用相应方法。毛石基础的计算示例如:V围墙=(0.74×0.3+0.49×0.2)×1800=576.00立方米。
当基础与墙身使用不同材料时,分界线的确定很关键。位于设计室内地面±300mm以内时,以不同材料为分界线;超过±300mm时,以设计室内地面为分界线。这一细节要求在实际计算中必须严格遵循。
三、计算过程中需要特别注意哪些扣减关系?
1.应扣除部分
计算围墙工程量时,必须扣除门窗洞口、过人洞、空圈所占体积。同时,嵌入墙身的钢筋混凝土柱、梁、钢筋砖过梁、暖气包壁龛等体积也应扣除。
具体操作中,需要准确测量和统计所有洞口尺寸,并按照"门窗洞口面积×墙厚"公式计算扣除体积。这一步骤的准确性直接影响最终工程量计算的正确性。
2.不扣除部分
下列部分在计算时不扣除:梁头、内外墙板头、木垫木、木楞头、沿椽木、木砖、门窗走头、砖墙内的加固钢筋、木筋、铁件钢管,以及每个在0.3平方米以下孔洞等所占体积。
3.不增加部分
凸出墙面的窗台虎头砖、压顶线、山墙泛水、烟囱根、门窗套、三皮砖以内的腰线和挑檐等体积也不增加。这一规定确保了工程量计算的规范性和统一性。
四、不同类型围墙的计算有何特殊要求?
1.预制构件围墙计算
对于采用预制构件的围墙,如预制柱、预制墙板和预制压顶,需要分别计算各构件的制作、运输和安装工程量。这种围墙的计算相对复杂,需要分阶段、分构件详细计算。
预制柱的单根体积计算公式为:截面面积×高度。预制墙板的单空体积计算为:3×0.6×0.1×4,再乘以各段数量即为总体积。
2.异形围墙计算
当围墙存在非标准段时,计算方法的选取很关键。按各段长度乘以断面面积计算墙板体积,再汇总的方法更为科学。这种方法能够有效处理异形段带来的计算困难。
3.带装饰元素围墙
对于带有装饰性铝板等元素的围墙,需要区分铝板幕墙与装饰铝板,分别按照不同的定额进行核算。这种区分确保了不同类型工程造价的准确性。
五、工程量计算中有哪些常见误区需要避免?
1.高度计算误区
常见的错误包括高度计算基准不统一,忽视地坪标高位置的影响。在图纸识别时,必须明确标注的高度基准,避免因高度理解错误导致工程量计算偏差。
2.构件划分误区
将装饰铝板错误地按照铝板幕墙定额计算,会导致人工和材料的多计。正确的方法是按照装饰性铝板审核,或者采用材料换算的方法进行审核。
3.工程量汇总误区
在工程量汇总时,容易忽视不同构件间的逻辑关系和计算顺序。正确的做法是系统性计算,按照基础、主体、装饰的顺序逐步推进。
六、如何确保工程量计算的准确性?
1.图纸审核要点
在开始计算前,必须仔细审核设计图纸,确认各项尺寸标注的完整性和一致性。特别要注意检查不同图纸版本间的高度差异,如图纸中出现的2.6米与2.47米的高度矛盾必须澄清。
2.计算过程控制
采用分步骤、分层级的计算方法,每一步都要有明确的计算依据和过程记录。建立计算表格,系统记录各构件的尺寸参数和计算结果。
3.结果校验方法
通过总量控制、单位指标对比等方法来验证计算结果的合理性。如发现异常数据,需要及时追溯计算过程,找出问题根源。
七、现代技术对工程量计算的影响有哪些?
随着建筑信息模型技术的发展,围墙工程量的计算精度和效率都得到了显著提升。BIM技术能够自动提取构件几何信息,减少人为计算错误,同时提供三维可视化的计算过程,便于核对和验证。
同时,各种工程量计算软件的出现,使得复杂的计算过程得以简化和标准化。这些工具不仅提高了计算效率,更重要的是通过内置的校验机制,大大提升了计算结果的可靠性。
版权声明:本站部分文章来源或改编自互联网及其他公众平台,主要目的在于分享信息,版权归原作者所有,内容仅供读者参考。本站仅提供信息存储空间服务,不拥有所有权,不承担相关法律责任,如有侵权请联系xp0123456789@qq.com删除。


评论