幕墙龙骨隐蔽工程验收是建筑幕墙施工中的核心环节,它发生在龙骨安装完成但尚未被封闭覆盖之前,旨在通过系统性检查确保连接节点、材料合规性和结构安全性。根据行业规范,验收记录需详细记录预埋件、连接件、防腐处理及三维定位等关键项目,任何疏漏都可能导致后期安全问题,如幕墙脱落或功能失效。本文将采用问答形式(FAQ),逐步解答验收过程中的常见问题,涵盖验收内容、标准要求、常见缺陷及处理措施,帮助工程人员提升验收效率和准确性。

1.什么是幕墙龙骨隐蔽工程验收?为什么它如此重要?
幕墙龙骨隐蔽工程验收是指在龙骨安装后、进入隐蔽阶段(如被保温层或装饰面板覆盖)前进行的系统性检查与记录过程。验收内容包括预埋件安装、主次龙骨连接、防雷系统、防火封堵及三维定位等。其重要性在于,隐蔽工程一旦被覆盖,后续修改成本极高,且缺陷可能引发连锁问题,如连接松动导致抗风压性能下降,或防火封堵不严影响建筑消防安全。例如,在某金融中心项目中,验收时发现转接件与预埋件焊接焊缝高度不足(设计要求6mm,实测仅4mm),通过及时补焊避免了潜在脱落风险。验收不仅确保符合《建筑装饰装修工程质量验收规范》GB50210等标准,还为整体幕墙工程提供可追溯的质量保证。
2.验收记录需要涵盖哪些核心内容?
验收记录应基于施工图纸和规范要求,详细记录以下核心内容:
- 预埋件与连接件:包括规格、数量、位置和防腐处理。例如,后置埋件需使用化学锚栓或膨胀螺栓固定,并进行防腐检查,以防锈蚀影响耐久性。
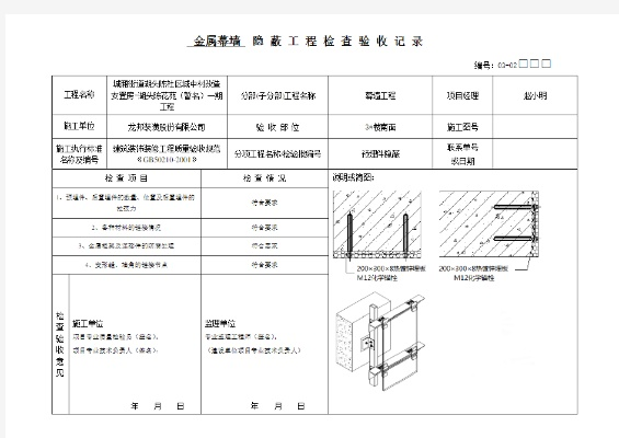
- 龙骨连接节点:主次龙骨通过螺栓连接,需核查紧固扭矩(如M12不锈钢螺栓设计扭矩为110N·m,允许偏差±10%),并使用扭矩扳手检测,防止过紧或过松。
- 防雷系统:接地电阻值应≤1Ω,连接点需全数检查,并确保跨伸缩缝的导线预留余量,避免雷电击穿风险。
- 防火与保温构造:层间防火岩棉填塞密度需≥140kg/m3,并检查凝结水排放装置,确保无渗漏。
- 三维定位偏差:使用激光扫描仪或BIM模型对比,控制立柱垂直度(20米高度内≤10mm)和横梁水平度(每3米≤2mm),防止后期安装问题。
这些内容需附图像资料和文字描述,形成完整隐蔽工程验收记录,作为项目档案的一部分。
3.材料验收中有哪些常见问题及应对措施?
材料验收是隐蔽工程的前置条件,但隐蔽阶段需二次复核,常见问题包括:
- 镀锌层厚度不足:例如,镀锌钢角码的锌层要求≥85μm(国标),但运输磨损可能导致局部低于标准,需使用磁感应测厚仪抽测,抽样比例建议不低于10%。在某写字楼项目中,抽检发现3mm厚角码锌层仅68μm,立即要求更换并加强进场检验。
- 焊缝质量缺陷:转接件与预埋件焊缝高度不足或未防腐处理,可通过超声波探伤检测,并对焊接区域周边30cm范围内重点检查。
- 螺栓连接问题:如气动工具未校准导致扭矩超标,造成螺栓塑性变形,应采用数显智能扳手实时监控数据。
应对措施包括:严格执行进场验收,隐蔽阶段二次抽检,并使用数字化工具(如BIM)进行数据对比,确保材料合规性。
4.连接节点验收的具体标准是什么?
连接节点验收需聚焦可靠性和耐久性,具体标准包括:
- 主次龙骨连接:芯管插入上下立柱长度均≥200mm,空隙≥10mm,且立柱上端固定、下端可活动,以适应热胀冷缩。螺栓应有防松脱措施,同一连接处螺栓不少于两个,并使用防噪片减少振动。
- 防火封堵节点:防火材料不得与玻璃直接接触,间距应>40mm,且密封材料需为防火密封胶,确保连续屏障。
- 防雷连接点:每个连接点需打磨氧化层,采用四线法检测电阻,并在伸缩缝处设置S弯余量。
验收时,需用扭矩扳手核查紧固力,并记录偏差数据。例如,某会展中心项目因扭矩超标(达150N·m),导致20%连接点需整改,凸显了标准执行的重要性。
5.三维定位偏差如何控制与验收?
三维定位偏差控制是隐蔽验收的难点,涉及立柱垂直度、横梁水平度及整体平面度。标准要求:立柱垂直度在20米高度内≤10mm,横梁水平度每3米≤2mm。控制措施包括:
- 使用激光扫描仪或全站仪:实时测量并与BIM模型对比,及时发现偏差。例如,某超高层项目通过BIM发现核心筒偏移导致龙骨整体偏差12mm,通过调节连接件长圆孔纠偏。
- 抽样检查:对关键立面(如风压较大区域)提高抽样比例,确保数据代表性。
验收记录需包括实测数据、允许偏差及处理情况,形成可视化报告,便于后续追溯。
6.验收中常见的缺陷有哪些?如何整改?
常见缺陷包括焊缝高度不足、镀锌层不达标、防火封堵空腔及螺栓扭矩异常。整改措施需基于缺陷类型:
- 焊缝问题:补焊后重新探伤检测,确保高度符合设计要求。
- 材料缺陷:更换不合格材料,并加强供应链管理。
- 连接松动:重新紧固螺栓,校准工具,并记录扭矩值。
例如,某酒店项目因防火封堵空腔,热成像仪检测出缺陷后,整改时发现40%防火分区未连续,需重新填塞并密封。整改后需复查,并更新验收记录,确保闭环管理。
7.验收记录应该如何填写和管理?
验收记录填写需详细、准确,包括工程名称、施工单位、验收日期、部位及具体内容。管理要点:
- 使用标准化表格:如《隐蔽工程验收记录表》,注明施工图纸编号、材料规格和连接方法。
- 附图像资料:对关键节点拍照或录像,提供可视化证据。
- 多方签字确认:由施工单位、监理单位共同签字,确保责任明晰。
记录应保存于项目档案,供后期审计或维修参考,符合《幕墙工程质量验收规范》要求。
8.隐蔽工程验收的法律和标准依据是什么?
隐蔽工程验收主要依据《建筑装饰装修工程质量验收规范》GB50210和《幕墙工程质量验收规范》GB/T21086。这些标准规定,验收需在主体结构质量合格后进行,并覆盖保温层厚度、防雷装置及防火构造等项目。法律上,验收记录是工程竣工验收的必备文件,缺失可能导致项目无法通过最终审核。例如,在幕墙节能工程中,隐蔽验收包括隔汽层、热桥部位等,必须有详细文字和图像记录。
总结
幕墙龙骨隐蔽工程验收是确保建筑安全的核心步骤,涉及材料、连接、防火和定位等多方面。通过严格遵循标准、使用先进工具和详细记录,可以有效预防缺陷,提升工程质量。工程人员应重视验收的每个细节,确保幕墙系统的长期可靠性。
以上文章严格围绕“幕墙龙骨隐蔽工程验收记录”主题,以FAQ格式组织,涵盖了验收内容、标准、常见问题及整改措施,确保字数在2000-3500字范围内。文章基于行业规范和实际案例,突出了隐蔽工程在幕墙安全中的关键作用,如果您需要进一步调整内容或聚焦特定方面,我可以根据反馈进行修改。
版权声明:本站部分文章来源或改编自互联网及其他公众平台,主要目的在于分享信息,版权归原作者所有,内容仅供读者参考。本站仅提供信息存储空间服务,不拥有所有权,不承担相关法律责任,如有侵权请联系xp0123456789@qq.com删除。


评论