一、桥梁桩基为何必须进行静载试验?
静载试验是确定单桩竖向抗压、抗拔及水平承载力的最直接、可靠的方法。它能模拟桩基在实际工程中的受力状态,通过记录荷载与沉降的关系,准确评估桩基是否满足设计要求。对于桥梁工程而言,桩基的承载能力直接关系到整体结构的安全性与耐久性,因此静载试验成为工程质量控制不可或缺的关键环节。

二、静载试验开始前需满足哪些基本条件?
试验开始时间有严格规定,必须确保桩身混凝土强度达到相应标准。当采用低应变或声波透射法检测时,受检桩混凝土强度不应低于设计强度的70%,且不应低于15MPa;若采用钻芯法检测,受检桩混凝土龄期应达到28天,或同条件养护试件强度达到设计强度。承载力检验前的休止时间根据土质类别确定:砂类土不少于10天,粉土和粘性土不少于15天,淤泥或淤泥质土则不少于25天。
三、静载试验主要采用哪些方法?
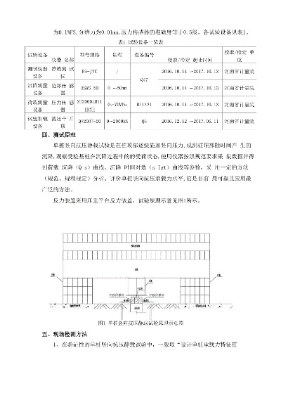
目前主要采用堆载法和锚桩法两种试验方法。堆载法通过在主梁上堆放重物提供反力,适用于多种场地条件;锚桩法则利用工程桩作为反力系统,更适合大吨位加载需求。近年来,基桩自平衡法(O-cell法)也得到推广应用,该方法利用桩土体系自身提供反力,通过在桩身或桩端埋置荷载箱,同时向上部桩及下部桩施加大小相等、方向相反的力,从而确定单桩承载力和桩周土层的侧摩阻力、桩端阻力。
四、试验过程中需要监测哪些关键参数?
静载试验需系统监测以下参数:
- 桩顶沉降量:记录每级荷载作用下的沉降数据
- 荷载维持时间:每级荷载需维持足够时间直至沉降稳定
- 荷载-沉降曲线:绘制完整的Q-s曲线作为判定依据
- 桩身应力分布:通过埋设测试元件监测桩侧阻力和桩端阻力
五、如何判定静载试验结果是否符合规范?
试验结果判定需依据多重标准:
1.承载力判定:应给出单桩承载力检测值是否满足设计要求的结论
2.沉降标准:最大沉降量需控制在允许范围内
3.恢复特性:卸载后残余沉降与最大沉降比值应满足要求
六、试验过程中有哪些特别注意事项?
试验过程需重点关注:
- 试桩的成桩工艺和质量控制标准必须与工程桩保持一致
- 检测设备需定期校准,确保测试精度
- 试验数据需实时记录,避免人为误差
- 异常情况应立即停止试验并分析原因
七、静载试验与传统检测方法有何优势?
相比于高应变法、低应变法等动态检测方法,静载试验能更真实地模拟桩基实际工作状态,测试结果更具工程指导价值。特别是对于大直径灌注桩、端承桩等关键部位,静载试验能提供最直接的承载力验证数据。
八、试验报告应包含哪些核心内容?
完整的试验报告必须包括:
- 工程概况和检测依据
- 检测设备和方法说明
- 试验过程详细记录
- 数据分析和结果判定
- 结论和建议
九、规范的执行对工程质量有何影响?
严格执行静载试验规范能有效:
- 发现桩基潜在的质量缺陷
- 验证设计参数的合理性
- 为后续施工提供可靠依据
- 确保桥梁运营安全
十、未来静载试验技术发展趋势如何?
随着测试技术的进步,静载试验正朝着智能化、精准化方向发展。高精度数值采集仪器、防水绝缘工艺的改进以及新型测试方法的出现,将持续提升静载试验的可靠性和效率。特别是自平衡法等新技术的推广应用,将为特殊地质条件下的桩基检测提供更多解决方案。
版权声明:本站部分文章来源或改编自互联网及其他公众平台,主要目的在于分享信息,版权归原作者所有,内容仅供读者参考。本站仅提供信息存储空间服务,不拥有所有权,不承担相关法律责任,如有侵权请联系xp0123456789@qq.com删除。


评论