1.明细栏在工程制图中的核心作用是什么?
明细栏(又称标题栏)是工程图纸的技术身份证,集中记录项目名称、设计单位、图纸比例、材料规格等关键信息。它确保图纸在制造、施工及存档环节的唯一性和可追溯性,例如在机械装配图中,明细栏需逐项列出零件编号、名称、数量及标准代号,为生产组织提供明确依据。根据GB/T10609.1-2008规定,所有技术图样均需配置标准标题栏,其内容需与图形部分共同构成完整的技术文件。

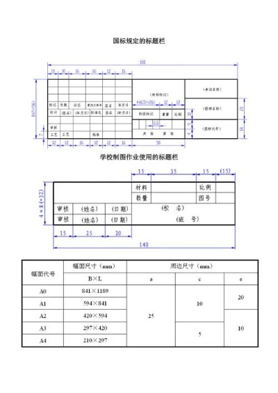
2.标准图纸幅面与明细栏尺寸有何关联?
图纸幅面尺寸直接影响明细栏的布局和内容容量。优先采用的A系列标准幅面包括A0(1189mm×841mm)、A1(841mm×594mm)、A2(594mm×420mm)、A3(420mm×297mm)和A4(297mm×210mm)等规格。无论图纸幅面如何变化,打印输出的标题栏宽度必须统一为180mm,高度则根据实际需求调整。例如A4图纸的标题栏可能采用180mm×30mm的简化格式,而A0图纸则可配置180mm×56mm的完整栏目。
3.明细栏应包含哪些基本内容要素?
完整的明细栏需包含以下核心内容:
- 项目标识区:工程名称、图纸编号、设计阶段等
- 责任签署区:设计、审核、工艺批准人员签名及日期
- 技术参数区:比例尺、材料标注、投影法等
- 管理信息区:版权声明、归档编号、密级标识等
在建筑室内设计领域,还要求补充建设单位、施工单位及防火等级等专项信息。
4.不同行业的明细栏设计存在哪些差异?
机械制造领域:严格执行GB/T10609.1标准,标题栏通常位于图纸右下角,采用分段式布局,其中比例标注需与各视图保持一致。
建筑工程领域:需遵循《房屋建筑制图统一标准》,增设会签栏用于多专业协作确认,且允许在A0-A2图纸中使用加长幅面。
装配式装修:根据《住宅装配化装修主要部品部件尺寸指南》,需增加构件编码、安装基准线等工业化生产所需参数。
5.字体与线型规范如何影响明细栏可读性?
字体高度系列为1.8-20mm,汉字必须采用长仿宋体,高度不低于3.5mm,字宽约为字高的2/3,确保缩微摄影时仍能清晰辨识。图线宽度分为粗(0.5-2mm)、中粗(0.25-0.35mm)、细(0.18-0.25mm)三级,标题栏外框需使用粗实线,内部分隔线则采用细实线。例如索引符号中的短线在A3图纸上应使用0.6-1mm特粗线。
6.比例标注在明细栏中有什么特殊要求?
比例标注需遵循“主要视图优先”原则,当图纸中存在多个比例时,应在标题栏标注主要视图比例,局部特殊比例则在该视图下方单独注明。推荐采用1:1、1:2、1:5等标准比例系列,特殊情况下可使用1:3、1:4等中间比例。如2025年实施的三波形护栏新标准中,护栏板展开宽度改为不低于741mm,图纸需明确标注实际尺寸与比例换算关系。
7.数字化制图时代明细栏标准有何演进?
BIM技术推动明细栏数据与三维模型参数联动,如装配式隔墙系统在图纸中需同步标注工厂预制编号与现场安装定位尺寸。最新GB/T31439.2-2025标准取消了部分固定尺寸限制,允许根据施工条件定制板件长度,这对明细栏的变量标注提出更高要求。同时,CAD制图规范要求所有输出图纸配备标准化封皮和目录,形成完整的文件体系。
8.常见的明细栏设计错误及规避措施有哪些?
典型问题包括:采用0.18mm极细线宽导致复印不清、汉字高度不足3.5mm、比例标注与图形实际比例不符等。
解决方案:建立单位内部的制图标准检查表,对A0-A2图纸使用?12mm索引符号,A3-A4图纸改用?10mm符号,通过标准化流程杜绝疏漏。
9.国际标准与国内标准在明细栏要求上有何异同?
ISO国际标准允许标题栏置于图纸任意侧边,而国内标准强制要求右下角定位。在尺寸公差标注方面,欧美标准常采用双基准体系,而国内更注重与制造工艺的匹配性。值得注意的是,涉外工程项目需采用中英文双语标题栏,校名字体高度统一为7号。
10.如何在实际工作中优化明细栏设计流程?
建议采用分层标注策略:基础层包含强制性内容,扩展层增加项目管理数据,动态层预留设计变更记录空间。对于科研报告类图纸,可参考《建筑业技术发展报告》格式,采用宋体四号字、固定行距29磅的排版标准,确保技术文档的专业性。同时结合最新标准更新明细栏内容,如三波形护栏安装已从单螺栓固定改为双螺栓结构,图纸需相应调整连接件标注方式。
版权声明:本站部分文章来源或改编自互联网及其他公众平台,主要目的在于分享信息,版权归原作者所有,内容仅供读者参考。本站仅提供信息存储空间服务,不拥有所有权,不承担相关法律责任,如有侵权请联系xp0123456789@qq.com删除。


评论