1.抗震等级与设防烈度是什么关系?
抗震等级是依据设防烈度、结构类型和房屋高度等因素确定的工程设计要求等级。设防烈度代表一个地区50年内超越概率10%的地震烈度基准值,由国家权威部门划定。例如北京地区设防烈度为8度,此时30米以上的钢筋混凝土框架结构需采用一级抗震,30米以下可采用二级抗震。抗震等级具体分为一至四级,对应“很严重、严重、较严重、一般”的抗震要求程度。

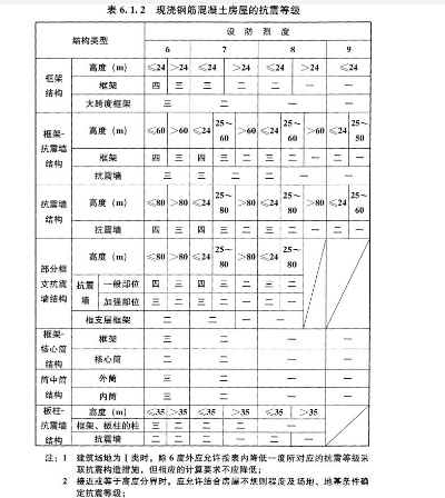
2.抗震等级具体如何划分?
根据现行规范,钢筋混凝土框架结构的抗震等级划分遵循以下规则:
- 设防烈度9度:房屋高度≤25米时,框架结构与大跨度公共建筑均需采用一级抗震。
- 设防烈度8度:高度>30米的框架需一级抗震;≤30米可二级;大跨度公共建筑必须一级。
- 设防烈度7度:高度>30米需二级抗震;≤30米可三级;大跨度公共建筑需二级。
- 设防烈度6度:高度>30米需三级抗震;≤30米可四级;大跨度公共建筑需三级。
这种划分综合考虑了结构高度与地震风险的关联性,高层建筑在相同烈度下需更高抗震等级。
3.不同建筑结构类型的抗震要求有何差异?
- 剪力墙结构:广泛应用于高层住宅,抗震性能优于框架结构,其墙体分布密度和配筋率直接影响抗震能力。
- 框架j核心筒结构:通过核心筒承担主要水平力,框架分担竖向荷载,此类结构在超高层建筑中普遍采用一级或二级抗震。
- 砌体结构:若无圈梁和构造柱,在8度及以上地区极易倒塌,需严格按标准设防。
4.抗震设防类别如何影响等级选择?
建筑工程分为四类设防类别:特殊设防类(甲类)、重点设防类(乙类)、标准设防类(丙类)和适度设防类(丁类)。例如大型城市综合体中人流密集的商业区通常划为重点设防类,而上部办公区可能仅需标准设防。类别划分基于建筑功能失效后的人员伤亡风险、社会影响及震后恢复难度等因素。
5.材料与施工质量如何影响抗震性能?
地震作用与建筑质量成正比,轻质材料如加气混凝土板、空心塑料板材能显著降低地震力。同时,施工过程中任何环节的疏漏都可能削弱结构抗震能力,如混凝土强度不足或钢筋配置错误会直接导致“大震不倒”目标难以实现。实际震害表明,按规范设计和施工的房屋即使在超设防烈度1-2度时仍能保持结构完整。
6.场地条件对抗震设计有何影响?
建筑场地应避开抗震危险地段,优先选择稳定基岩或密实砂土层作为持力层。断层错动、山崖崩塌等地面严重变形区域不宜建造重要建筑。例如2008年汶川地震中,部分建于滑坡地带的房屋因地基失效而整体坍塌。
7.现有建筑如何通过检测鉴定确定抗震能力?
对未采取抗震设防措施的既有建筑,需委托专业机构进行抗震鉴定。鉴定内容包括材料强度检测、结构体系评估及抗震措施核查,最终根据缺陷程度提出加固方案。典型案例如底部框架-上部砌体结构的商铺,因刚度突变常需进行抗震加固。
8.抗震设计如何实现“小震不坏、中震可修、大震不倒”?
- 小震(多遇地震):结构处于弹性阶段,保证正常使用功能。
- 中震(设防地震):允许部分构件进入塑性,震后可修复使用。
- 大震(罕遇地震):尽管损伤严重,但承重体系保持稳定,防止坍塌。实现此目标需通过合理的构件尺寸、连接构造及材料强度综合保障。
9.抗震等级划分是否存在地域差异?
是的。我国各地区设防烈度从6度到9度不等,直接影响抗震等级选择。例如云南某些高烈度区的学校建筑需采用一级抗震,而华东部分低烈度区民用建筑可能仅需三级。这种差异化设计既保证安全又避免资源浪费。
10.未来抗震设计发展趋势是什么?
基于性能的抗震设计方法逐渐成熟,针对不同使用功能建筑定制化设防目标。同时,隔震与消能减震技术的应用拓展了传统抗震界限,例如在支座层设置橡胶隔震垫可降低地震作用40%以上。同时,新材料如高强度混凝土和抗震钢筋的应用进一步提升结构延性。
版权声明:本站部分文章来源或改编自互联网及其他公众平台,主要目的在于分享信息,版权归原作者所有,内容仅供读者参考。本站仅提供信息存储空间服务,不拥有所有权,不承担相关法律责任,如有侵权请联系xp0123456789@qq.com删除。


评论